| Availability: | |
|---|---|
| Quantity: | |
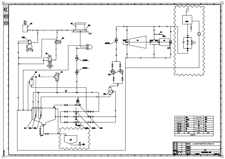
one,High -level fuel tank system function
The high -level fuel tank system is one of the facilities for safety protection of the unit. The normal oil supply of the steam turbine is undertaken by the main oil pump. When the unit runs normally, the lubricant enters from the bottom, and the fuel tank is discharged from the top overflow. Failure, the auxiliary oil pump cannot be launched in time, but at this time, the turbine is still rotating due to its inertia, causing the bearing to lack oil and burn the tile. In order to avoid such accidents, the lubricating oil of the high -level fuel tank will be pipe along the fuel pipe road, flowing through the bearings, and returning to the main fuel tank to ensure the need for lubricating oil during the crew of the units, and ensure that the unit is safely parking. When the excess lubricant is overflow from the main fuel tank to the auxiliary fuel tank, when the fuel level of the auxiliary fuel tank increases to a certain height, the oil pump is transferred to the high -level fuel tank.
Two: The composition, layout and working principle of high fuel tank system
1. The high -level fuel tank system consists of high -level fuel tanks, auxiliary fuel tanks, pump pumps, three valves, pipelines and control systems;
2. The high -level fuel tank is arranged on the fourth -floor oxygen dehumator platform to try to make the pipeline length short and the number of elbows is small to ensure that the lubricating oil flow of the high -level fuel tank is less resistant to the bearing;
3.. The three valve group consists of an electric oil inlet valve, an inverse stop valve, and a throttle valve;
4. 4.. During the booting of the steam turbine generator set, the lubricating pipeline was transported to the original unit lubricating pipeline all the way, and the other way was supplemented by the electric fuel inlet valve in the three valve group to the high level of fuel tank. The oil valve is closed, and the lubricant is still inlet to the high -level fuel tank through the throwing valve. The high -level fuel tank lubricating oil level rises to the overflow position, and the lubricant returns to the main fuel tank of the unit through the overflow pipeline.
5. The auxiliary fuel tank is arranged near the main fuel tank. The oil level of the main fuel tank is high, and the overflow to the auxiliary fuel tank will be used to prevent the outflow of lubricating oil. The automatic start -up oil pump is set in the fuel tank. The oil tank oil is transported to the high -level fuel tank;
Third, the characteristics of the high -level fuel tank system
1. High -level safety fuel tanks are always in a smooth state and are not restricted by any electrical equipment. It can immediately supplement lubricating oil and stabilize the system's oil pressure.
2. The high -level safety fuel tank can switch the auxiliary pump group to the main system within a certain period of time.
3.. When the accident is stopped, the high -level safety fuel tank must ensure the safety of the safety lubricant during the lax lattice, so that it can be stopped smoothly.
4. 4.. Install the liquid level meter and automatic control system, the operator does not have to worry about the fuel spill in the fuel tank.
四、High -level fuel tank specification model
one,High -level fuel tank system function
The high -level fuel tank system is one of the facilities for safety protection of the unit. The normal oil supply of the steam turbine is undertaken by the main oil pump. When the unit runs normally, the lubricant enters from the bottom, and the fuel tank is discharged from the top overflow. Failure, the auxiliary oil pump cannot be launched in time, but at this time, the turbine is still rotating due to its inertia, causing the bearing to lack oil and burn the tile. In order to avoid such accidents, the lubricating oil of the high -level fuel tank will be pipe along the fuel pipe road, flowing through the bearings, and returning to the main fuel tank to ensure the need for lubricating oil during the crew of the units, and ensure that the unit is safely parking. When the excess lubricant is overflow from the main fuel tank to the auxiliary fuel tank, when the fuel level of the auxiliary fuel tank increases to a certain height, the oil pump is transferred to the high -level fuel tank.
Two: The composition, layout and working principle of high fuel tank system
1. The high -level fuel tank system consists of high -level fuel tanks, auxiliary fuel tanks, pump pumps, three valves, pipelines and control systems;
2. The high -level fuel tank is arranged on the fourth -floor oxygen dehumator platform to try to make the pipeline length short and the number of elbows is small to ensure that the lubricating oil flow of the high -level fuel tank is less resistant to the bearing;
3.. The three valve group consists of an electric oil inlet valve, an inverse stop valve, and a throttle valve;
4. 4.. During the booting of the steam turbine generator set, the lubricating pipeline was transported to the original unit lubricating pipeline all the way, and the other way was supplemented by the electric fuel inlet valve in the three valve group to the high level of fuel tank. The oil valve is closed, and the lubricant is still inlet to the high -level fuel tank through the throwing valve. The high -level fuel tank lubricating oil level rises to the overflow position, and the lubricant returns to the main fuel tank of the unit through the overflow pipeline.
5. The auxiliary fuel tank is arranged near the main fuel tank. The oil level of the main fuel tank is high, and the overflow to the auxiliary fuel tank will be used to prevent the outflow of lubricating oil. The automatic start -up oil pump is set in the fuel tank. The oil tank oil is transported to the high -level fuel tank;
Third, the characteristics of the high -level fuel tank system
1. High -level safety fuel tanks are always in a smooth state and are not restricted by any electrical equipment. It can immediately supplement lubricating oil and stabilize the system's oil pressure.
2. The high -level safety fuel tank can switch the auxiliary pump group to the main system within a certain period of time.
3.. When the accident is stopped, the high -level safety fuel tank must ensure the safety of the safety lubricant during the lax lattice, so that it can be stopped smoothly.
4. 4.. Install the liquid level meter and automatic control system, the operator does not have to worry about the fuel spill in the fuel tank.
四、High -level fuel tank specification model